テーパー治具 当たり不一致の検証 ― 前編:見積時の認識のずれから発生する問題点
最近、私にはひとつ大きな悩みがあります。
それは・・・中学野球の進路。
硬式でチャレンジしたい!!という子供の意思は固まったものの、次は“チーム選び”。これがまた想像以上に難しい…。
体験に行かせていただくたび、どのチームにも独自の空気感や指導スタイルがあって、まさに 百聞は一見に如かず とはこのこと。実際に見なければわからないことの連続で、子供自身も本気で悩んでいる様子です。
ただ、こういう悩みも含めて、最終的には子供の財産になるはず。親としては、できる限り色々な情報を与えつつ、最後の決断は子供自身に 任せたい・・・
そんなふうに思っています。
「子供の野球進路シリーズ」、続編も…おそらく書きます(笑)
そんなふうに、プライベートでは“チーム選び”に頭を悩ませている今日この頃ですが、実は仕事でも似たように、「あれ?何か噛み合わないぞ?」 という出来事がありました。
子供の進路のように、一つ判断を間違えれば後で大きく響く…。(まだ間違えてはいませんが笑)
ものづくりの現場でも、そんな “小さなズレ” が大きな問題へ発展する ことがあります。
今回ご紹介する案件も、まさにその典型でした。
萬代のお悩み解決事例はコチラ!

2024年に納品した “治具(微細加工品)” について、お客様から「当たりに違和感がある」と連絡が入ったところから始まり、商流4社を巻き込む、思いのほか長いストーリーに発展したのです。
ここからは、その“治具の当たり問題”の一部始終を、前編・後編に分けてご紹介します。
■突然のご連絡。「当たりが違う気がする…」
ある日、お客様から届いたメールにはドキッとする内容が書かれていました。
・テーパー穴と相手軸の当たりが合っておらず、偏心が大きい
・2セットある治具にテーパーゲージを入れると、当たりに差がある気がする
・図面赤線部の “テーパー80%以上の当たり” を検査しているか?
・テーパーゲージと治具を返送するので、再チェックしてほしい
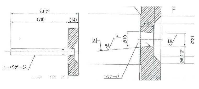
まずは以下の写真をご覧ください。

棒形状品が ”テーパーゲージ” 、円筒形状品が ”治具” となります。テーパーゲージはお客様からの支給品であり、弊社は治具を加工し納品しています。

機能面においてテーパーゲージと治具の嵌合精度が最重要となります。
1/5テーパー、面粗度などわずかでも外れると“当たり”に大きく影響します。
納品個数は2個です。お客様は、テーパーゲージをそれぞれの治具φ10の箇所に挿入した際に、片方はOK、もう片方はわずかにぐらつきがあるということでした。お客様曰く、80%の当たりとは、テーパーゲージと治具の接地面積のことであり、これが80%以上であるならば、ぐらつきはほぼ無いと考えれるという設計のもとご連絡をいただいたということです。
後ほど記載しますが、この加工品はミクロン単位の高い精度が求められており、見積当時は加工業者さんの選定含め慎重に取り扱った案件でしたので、よく覚えています。
しかし・・・改めて当時やりとりした内容含めて整理していくと「これは単なる寸法不良の話ではないな…。」と感じ始めました。
萬代のお悩み解決事例はコチラ!

■見積り段階で既に説明していた “80%以上の当たりは検証不可”
当時の見積書を改めて確認したところ、加工条件として以下のとおり記載していました。
「φ59.736±0.01部はネライにて、※80%以上の当たりの保証は不可」
実は、見積の時点で 「保証はできません」 と説明していた部分なのです。
理由は2つ・・・
一つ目:テーパーの当たりは、人の感触に頼らざるを得ないため、定量化が難しい。
「検査は各寸法で行い、その結果として “テーパー部の当たり” がでる。」としていました。
二つ目:テーパー部をデータムとし、各箇所の加工を行う必要があり、全ての寸法を満たすバランスを保つためには、テーパー形状がわずかにズレる可能性があるため。
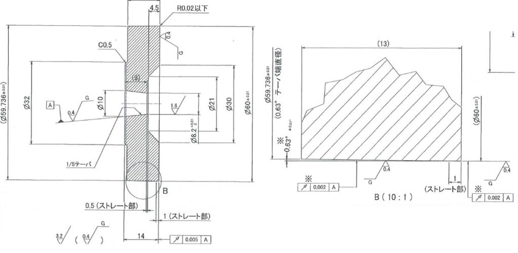
以下の図面をご覧ください。

テーパー部をデータムAとし、外周部が “2/1000の振れ公差” かつ、 “テーパー形状” となっています。
非常に加工難易度の高い部品となっておりますが、逆に言うと・・・
その公差を確実に守ることにより、接地面は自然に成立するはず。
当時もそのように、お客様へ説明しており、改めて今回も同様の説明をさせていただきました。
萬代のお悩み解決事例はコチラ!

これで万事解決!!
ならばよかったのですが、冒頭に申し上げましたとおり、すんなり終了ではありませんでした…。
続きは次回、書かせていただきます!!
株式会社萬代へは、LINEまたはZoomでもお問い合わせいただけます。
すぐに商談を行いたい!ざっくりとした見積を知りたい!こんな部品でも対応可能?などにご対応いたします。
お気軽にお問い合わせください。


















